Pop Service Electronic HQ - Romania
  POP SERVICE
ELECTRONIC HQ
POP SERVICE ELECTRONIC HQ reprezentant exclusiv in ROMANIA al companiei germane BENDER Gmbh, va pune la dispozitie SOLUTII complete pentru monitorizare si localizare defecte pentru o gama diversificata de aplicatii !!! *** Aplicatii speciale pentru spitale, panouri de operare, transformatoare de separatie, semipanouri sau tablouri complet Echipate, Testate si Certificate ! Energie regenerabila - Aplicatii fotovoltaice, eoliene ! Echipamente pentru vehicule si statii electrice ! Aplicatii pentru petrol, gaze si industria extractiva ! Productie, transport si distributie energie ! Vapoare, porturi, offsore ! Aplicatii feroviare ! Procese de productie ! Sisteme de stocare a energiei - BESS ! Extractii miniere ! Generatoare mobile ! *** prin *** Monitorizarea rezistentei de izolatie ! Localizarea defectelor de izolatie ! Monitorizarea curentilor reziduali ! Relee de masura si monitorizare ! Echipamente de test !
  Reprezentant exclusiv
Bender in Romania

      Produse
 

PRODUSE
 



Banner exchange



 


Aplicatii pentru locatii medicale, conforme cu standardul IEC 60364-7-710 si normativul I7


Alimentarea cu energie electrica din spitale trebuie sa fie deosebit de sigura si fiabila. Siguranta pacientilor si a personalului medical este prioritatea noastra principala.

Aceasta siguranta nu mai poate fi garantata cu instalatiile existente invechite. Motivul este ca dispozitivele electrice moderne utilizeaza sursa de alimentare diferit fata de ceea ce era previzibil la momentul instalarii.

Aceasta înseamna ca dispozitivele de masurare mai vechi nu pot detecta întotdeauna defectiunile cauzate de dispozitivele electrice noi.

In plus, imbatranirea componentelor electronice din sursa de alimentare poate duce la defectiuni. Nu in ultimul rand, piesele de schimb nu mai sunt disponibile pentru multe dispozitive mai vechi.

Pentru a asigura fiabilitatea operationala si disponibilitatea ridicata a vechii dumneavoastra instalatii, compania germana BENDER ofera solutii moderne si fiabile de inlocuire.

Solutiile noastre de modernizare indeplinesc cerintele actuale ale standardului IEC 60364-7-710 si normativului I7.
Prin modernizarea alimentarii cu energie electrica, se asigura o modernizare de inalta calitate si siguranta a instalatiei existente.


Solutii complete de securitate electrica pentru locatii medicale in conformitate cu standardul IEC 60364-7-710

  • Centru de Diagnostic si Tratament Oncologic Brasov
  • Clinica de Cardiologie Timisoara
  • Clinica de Oftalmologie Bucuresti
  • Clinica Polisano Sibiu
  • Diverse Policlinici particulare Bucuresti
  • Hyperclinica Medlife Grivita - Bucuresti
  • Institutul de Transplant Hepatic Bucuresti
  • Institutul Clinic Fundeni Bucuresti
  • Institutul Oncologic Fundeni
  • Institutul Regional de Oncologie Iasi
  • Maternitate Spital Judetean de Urgenta Ramnicu Valcea
  • Maternitate Spital Judetean de Urgenta Buzau
  • Maternitate "Cuza Voda" Iasi
  • Medlife Baneasa - Bucuresti
  • Medlife Brasov
  • Medlife Dimitrov - Bucuresti
  • Spitalul Clinic Ovidius OCH, Constanta
  • Spitalul Judetean de Urgenta "Sfantul Spiridon" Iasi
  • Spitalul Judetean de Urgenta Cluj - Obstetrica si Neonatologie
  • Spitalul Judetean de Urgenta Brasov
  • Spitalul Judetean de Urgenta Craiova
  • Spitalul Judetean de Urgenta Giurgiu
  • Spitalul Judetean de Urgenta Mavromati Botosani
  • Spitalul Judetean Miercurea Ciuc
  • Spitalul Judetean Urgenta Slatina
  • Spitalul Municipal Turda
  • Spitalul Oncologie Iasi
  • Spitalul Universitar de Urgenta Bucuresti
  • Spitalul Clinic de Pneumoftiziologie Iasi
  • Spitalul Judetean de Urgenta Timisoara
  • Spitalul Judetean de Urgenta Baia Mare
  • Spitalul Judetean de Urgenta Bistrita
  • Spitalul Judetean de Urgenta Dambovita - Targoviste
  • Spitalul Judetean de Urgenta Fundeni
  • Spitalul Judetean de Urgenta Ilfov
  • Spitalul Judetean de Urgenta Ramnicu Valcea
  • Spitalul Orasenesc Focsani
  • Spitalul Orasenesc Sannicolau Mare
  • Spitalul Orasenesc Viseul de Sus
  • Spitalul "Sfantul Spiridon" Mioveni, Arges


Harta cu o parte din locatiile medicale in care au fost utilizate solutii complete BENDER Harta cu o parte din locatiile medicale in  care au fost utilizate solutii BENDER

Solutii complete de securitate electrica pentru locatii medicale in conformitate cu standardul IEC 60364-7-710

În unitatile medicale, toate eforturile sunt concentrate asupra pacientilor si a recuperarii acestora.

Chiar si o scurta pana de curent poate pune în pericol succesul diagnosticarii si tratamentului si, prin urmare, sanatatea pacientului.
Din acest motiv, cerintele privind fiabilitatea alimentarii cu energie electrica sunt foarte stricte.

Compania germana BENDER pune la dispozitie un sistem deschis si flexibil care permite implementarea tuturor masurilor pentru imbunatatirea alimentarii cu energie electrica in locatiile medicale si reprezinta solutia perfecta in sistemul de sanatate.

In salile de operatie, unitatile de terapie intensiva, camerele de urgenta si alte zone deosebit de sensibile ale unui spital unde sunt tratati pacientii, este necesara o sursa de alimentare fara impamantare (sistem IT medical) in conformitate cu IEC 60364-7-710.

Aceasta este singura modalitate de a garanta ca alimentarea cu energie electrica nu se intrerupe in cazul unei prime defectiuni electrice si ca tratamentele importante ale pacientilor nu sunt intrerupte accidental.


Conditia prealabila pentru o sursa de alimentare fara impamantare este separarea galvanica de sursa de alimentare cu impamantare.
In plus, alimentarea unui sistem IT medical trebuie sa fie formata intotdeauna din doua linii independente.

Prin urmare, trebuie prevazut un dispozitiv de comutare care sa poata comuta intre alimentarea generala cu energie electrica si alimentarea cu energie electrica de urgenta sau de siguranta, intr-un interval de timp prescris.

Comutare sigura si rapida conform SIL2 pana la 160 A
Pentru a evita o pana totala a alimentarii cu energie electrica a sarcinilor deosebit de importante din spitale si alte unitati medicale, DIN VDE 0100-710 si IEC 60364-7-710 impun o comutare rapida si sigura intre doua linii de alimentare independente (alimentare generala si alimentare de siguranta). Comutarea trebuie sa aiba loc in <= 0,5 pana la 15 secunde, in functie de aplicatie.

Dispozitivele de comutare automata prin transfer ATICS® contin toate functiile pentru comutarea intre doua linii de alimentare independente. Integrarea sectiunii de putere si a componentelor electronice intr-un dispozitiv plat si compact reduce spatiul necesar in tabloul de distributie, minimizeaza lucrarile de cablare si reduce posibilitatea aparitiei defectiunilor.
Pentru o fiabilitate maxima, dispozitivul de comutare automata prin transfer ATICS® a fost dezvoltat in mod constant în conformitate cu directivele privind siguranta functionala (SIL 2).


Solutii complete de securitate electrica pentru locatii medicale in conformitate cu standardul IEC 60364-7-710

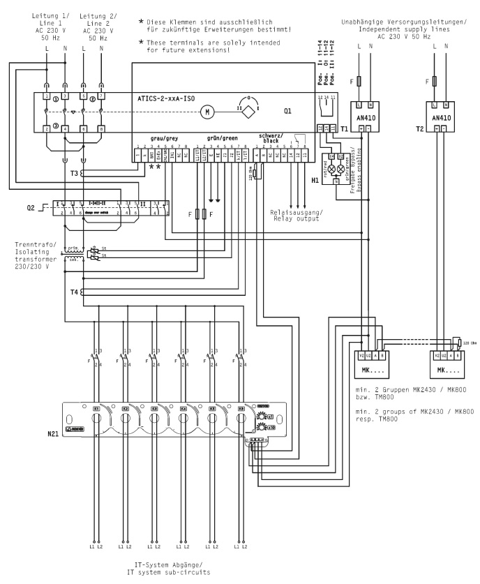
Proiectarea si realizarea unui "sistem IT Medical" devine foarte simpla, implementand noul releu Bender-ATICS-ISO, produs omologat atestat cu marcaj MED cerut de IEC 60364-7-710



Dispozitivul ATICS® contine:
  • Un AAR - dedicat aplicatiilor medicale, tc < 0,5s , o solutie certificata, cu fiabilitate si "nivel de incredere" atestate, ce asigura cerintele - "safe separation" (IEC 60364-7-710.536).
  • sistem de monitorizare in conformitate cu toate cerintele standardului IEC 60364-7-710 si normativului I7: rezistenta de izolatie, curent si temperatura transformator de izolatie.
  • generatorul de semnal pentru localizarea circuitului defect cu ajutorul EDS151.
  • comunicatie seriala pentru transmiterea starii sistemului in locatia deservita.
Exemplu de aplicatie pentru dispozitivul ATICS

Proiectarea si realizarea unui sistem IT Medical devine foarte simpla, implementand noul releu Bender-ATICS-ISO,  produs omologat atestat cu marcaj MED cerut de IEC 60364-7-710


Proiectarea si realizarea unui sistem IT Medical devine foarte simpla, implementand noul releu Bender-ATICS-ISO,  produs omologat atestat cu marcaj MED cerut de IEC 60364-7-710


Schema de principiu
tablou cu 12 plecari


Proiectarea si realizarea unui sistem IT Medical devine foarte simpla, implementand noul releu Bender-ATICS-ISO,  produs omologat atestat cu marcaj MED cerut de IEC 60364-7-710
Solutii complete de securitate electrica pentru locatii medicale in conformitate cu standardul IEC 60364-7-710

Urmatoarele componente sunt necesare pentru un sistem IT medical conform IEC 60364-7-710:
  • Dispozitiv de comutare (AAR) pentru comutarea sigura intre alimentarea generala si alimentarea de siguranta
  • Sistem de distributie, constand din transformator de izolare, dispozitiv de monitorizare a izolatiei (IMD) conform IEC 61557-8, sistem automat de localizare a defectelor de izolatie conform IEC 61557-9 (recomandat)
  • Panou de control (indicator de alarma la distanta si panou de operare) ca sistem de alarma acustica si vizuala.
In posturile de asistenta medicala, in salile de operatie sau in unitatile de terapie intensiva, asistentele medicale si medicii trebuie acum sa gestioneze o gama larga de echipamente si comenzi.

Este aproape imposibil sa se tina evidenta tuturor lucrurilor. Cu atat mai mult daca apare o defectiune electrica undeva in sistem.
Spitalele fac parte din infrastructura critica. De aceea, alimentarea cu energie electrica a spitalelor trebuie sa fie deosebit de fiabila. Prin urmare, defectiunile de natura electrica ar trebui evitate cu orice pret si prevenite prin detectarea intr-un stadiu incipient.

Solutii complete de securitate electrica pentru locatii medicale in conformitate cu standardul IEC 60364-7-710

Solutii complete de securitate electrica pentru locatii medicale
ATICS®-…-ISO

Releul asigura alimentarea neintrerupta cu energie electrica comutand rapid pe sursa de alimentare de rezerva, in cazul aparitiei unui defect.
Aplicatii speciale pentru spitale - ATICS®…-ISO   Module de comutare

Module de comutare si monitorizare pentru locatii medicale.
Aplicatii speciale pentru spitale - Module de comutare




Tablouri de distributie pentru locatii medicale din grupa a II-a (sali de operatie, sali de terapie intensiva, etc.)

Aplicatii speciale pentru spitale - Tablouri de distributie pentru locatii medicale din grupa a II-a (sali de operatie, terapie intensiva, etc.)   Transformatoare medicale monofazate ES710

Transformatoare de separare monofazate, pentru sisteme cu nulul izolat.
Transformatoare pentru aplicatii medicale - Transformatoare medicale monofazate ES710  

Descarca document :
"ATICS®, the safest and most compact all-in-one automatic transfer switching device in the world - for safety-relevant medical locations"


Proiectarea si realizarea unui sistem IT Medical devine foarte simpla, implementand noul releu Bender-ATICS-ISO,  produs omologat atestat cu marcaj MED cerut de IEC 60364-7-710 - ATICS, the safest and most compact all-in-one automatic transfer switching device in the world - for safety-relevant and medical locations


Descarca document :
"Electrical safety cost little ... a human life is priceless"


MEDICS® - solutie completa de securitate electrica pentru locatii medicale - Electrical safety cost little ... a human life is priceless